全国统一服务热线
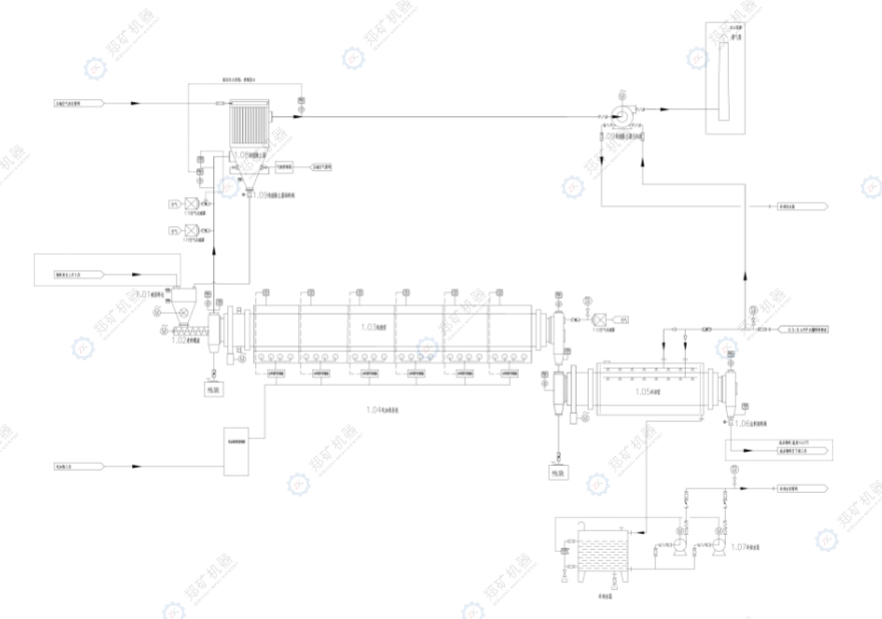
碳酸锂烘干系统专为电池级、工业级碳酸锂粉体脱水干燥设计,核心采用密闭式热风干燥+冷却成型工艺,保障锂盐产品粒度与含水率达标,是锂盐深加工环节的关键成套装备。
单线产能:500t/a、1000t/a、3000t/a、5000t/a、10000t/a、15000t/a、20000t/a
加热方式:天然气加热、电加热
适用范围:电池级碳酸锂、工业级碳酸锂、氢氧化锂等锂盐湿基粉体
1.含水率精准可控:针对碳酸锂粉体易吸潮、干燥精度要求高的特点,采用恒温热风闭环控温,成品含水率稳定,避免过干结块或含水率超标,满足电池级锂盐严苛质控要求。
2.粉体完整性好:采用温和对流干燥,无强机械剪切,避免粉体破碎、粒度异变,保留原有晶型与粒度分布,保障后续锂电配料加工性能。
3.洁净无尘无污染:全流程密闭负压作业,搭配布袋除尘回收细粉,防止粉尘外泄、减少物料损耗,保证产品纯度。
4.防粘防堵易运维:主机内壁防粘处理,优化流场设计,杜绝粘壁、堵料,设备清理少、运维简便。
5.节能降耗适配性强:热风余热循环利用,能耗更低;可适配不同湿含量、不同粒度碳酸锂,参数可调,兼顾干燥效率与运行成本。
湿基碳酸锂物料经定量进料装置均匀送入干燥主机,避免物料团聚、架桥,保障进料连续性。
物料在干燥机内与净化热风充分换热,快速脱除游离水分,全程密闭运行,杜绝粉尘外泄与物料污染。
干燥后的碳酸锂粉体进入冷却单元降温至包装温度,再经筛分、集料处理,去除大颗粒杂质,保证产品细度。

单线产能:500t/a、1000t/a、3000t/a、5000t/a、10000t/a、15000t/a、20000t/a
历经多年的发展,由原来单一的机械设备生产企业,逐步 发展成为集科研、设计、制造、安装、调试、保障运行于 一体的拥有全过程技术的高新技术企业,净资产达2亿多 元,具备环保、建材、矿山及冶金工艺技术及设备整套系 统研发生产能力的综合公司。
工业园区:河南省荥阳市乔楼蔡砦工业区
郑州办公区:郑州市西三环279号国家大学科技园东区13号楼15楼


